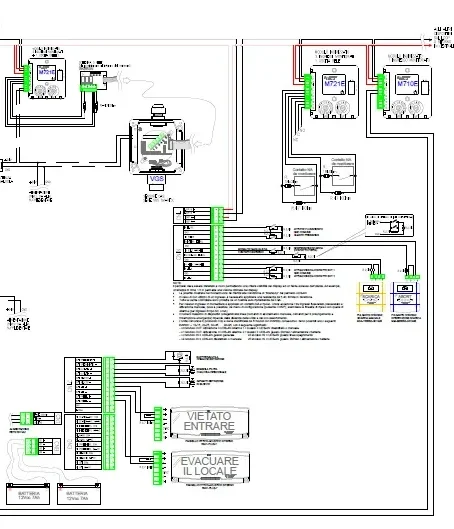
ATM SCHEDA TECNICA TIPOLOGIA DI INTERVENTO : [inserire descrizione qui] ANNO : [inserire descrizione qui] SETTORE : [inserire descrizione qui] SERVIZI SVOLTI : [inserire descrizione qui] IN SINTESI [inserire descrizione qui] Elementi ingegneria: dispositivo di test pressione porta